




一 . SIC MOS管的發展與現狀

二. 研究柵極問題的重要性
 2.1 柵極(ji)作(zuo)為SIC MOS管的關(guan)鍵控制(zhi)端,其性(xing)(xing)能(neng)和(he)可靠性(xing)(xing)直接影(ying)響著整個(ge)器(qi)件的工作(zuo)穩定性(xing)(xing)和(he)壽(shou)命(ming)。柵極(ji)一旦損壞(huai),SIC MOS管將無法正常(chang)工作(zuo),導(dao)致整個(ge)電路系統故障
2.2 SIC MOS管作為新型(xing)功(gong)率半(ban)導體器件,近年來隨著(zhu)技術的成熟,在(zai)新能(neng)源汽車、光伏(fu)、智能(neng)電(dian)網(wang)等(deng)領(ling)域得到了廣泛應用(yong)。其具(ju)有開(kai)關速度(du)快、導通(tong)電(dian)阻低、耐(nai)高溫(wen)等(deng)顯著(zhu)優勢,逐(zhu)漸成為傳統硅基器件的有力替代者
   
  
三. 芯片(pian)工藝結構概述
  3.1 SIC MOS管的芯片工藝結(jie)構主要(yao)包括襯(chen)底(di)、外(wai)延層(ceng)、源極(ji)、漏(lou)極(ji)、柵極(ji)以及絕緣層(ceng)等部分。其中,襯(chen)底(di)通常采用(yong)碳化硅(gui)材料(liao),具有高導(dao)熱(re)性和(he)高擊穿電(dian)場強度的特點,為器件提供良好(hao)的物理支撐和(he)電(dian)學(xue)基礎。外(wai)延層(ceng)生長在襯(chen)底(di)之上,用(yong)于精(jing)確控制器件的電(dian)學(xue)參數
3.2 源極(ji)和(he)(he)(he)漏極(ji)位于芯片的兩側,是電流(liu)的輸(shu)入(ru)和(he)(he)(he)輸(shu)出端,柵極(ji)則通(tong)(tong)過(guo)絕緣層(ceng)與溝(gou)道(dao)隔開,通(tong)(tong)過(guo)施(shi)加電壓來控制溝(gou)道(dao)的導通(tong)(tong)和(he)(he)(he)截止,從(cong)而實現對(dui)電流(liu)的調控,絕緣層(ceng)通(tong)(tong)常采用(yong)二氧化硅等材料,其質量和(he)(he)(he)厚度對(dui)柵極(ji)的性能(neng)有(you)著(zhu)重要影響(xiang)
四. 柵極在芯(xin)片(pian)中的位(wei)置(zhi)與作用

位置:柵(zha)極(ji)位(wei)于源極(ji)和漏極(ji)之間,通過(guo)(guo)絕緣層與溝(gou)(gou)道(dao)緊密(mi)相鄰。其主要作(zuo)用是(shi)通過(guo)(guo)電(dian)(dian)(dian)場效應(ying)控制溝(gou)(gou)道(dao)的導(dao)電(dian)(dian)(dian)性,實現(xian)對SIC MOS管(guan)(guan)導(dao)通和關斷的精確控制。當柵(zha)極(ji)施加正(zheng)電(dian)(dian)(dian)壓時(shi),會(hui)在溝(gou)(gou)道(dao)中(zhong)感應(ying)出(chu)電(dian)(dian)(dian)子(zi),形成導(dao)電(dian)(dian)(dian)通道(dao),使(shi)SIC MOS管(guan)(guan)導(dao)通;當柵(zha)極(ji)電(dian)(dian)(dian)壓為零時(shi),溝(gou)(gou)道(dao)中(zhong)的電(dian)(dian)(dian)子(zi)消失,導(dao)電(dian)(dian)(dian)通道(dao)關閉,SIC MOS管(guan)(guan)截止
作用:柵極的(de)控(kong)制作用如同水(shui)龍頭的(de)開關,能夠精準地調節水(shui)流(liu)(電(dian)流(liu))的(de)大小和通斷,確(que)保SIC MOS管在各種電(dian)路應用中穩定可靠地工作
五. 柵極容易損壞的原因分析
5.1 寄生電容的影響,米勒電容的作用機制
由于多晶硅寬度(du)、溝(gou)道(dao)與溝(gou)槽寬度(du)、G極(ji)氧化層厚度(du)、PN結摻雜輪廓等(deng)因素,SIC MOS管會(hui)(hui)產生(sheng)(sheng)寄(ji)生(sheng)(sheng)電(dian)容,其(qi)中關鍵的米(mi)勒電(dian)容Cgd起著重要(yao)作用。Cgd并非恒定(ding)不變(bian),它會(hui)(hui)隨(sui)著柵極(ji)和(he)漏極(ji)間(jian)電(dian)壓的變(bian)化而迅速改(gai)變(bian)
當高邊(bian)的(de)(de)MOS管(guan)突然導(dao)通(tong)(tong)時(shi),低邊(bian)MOS管(guan)的(de)(de)漏極(ji)(ji)電壓會瞬間升高,此時(shi)低邊(bian)MOS管(guan)的(de)(de)米勒(le)電容(rong)上會產生一個(ge)大小為(wei)米勒(le)電容(rong)乘以電壓變化率大小的(de)(de)電流。若柵(zha)極(ji)(ji)開路,這個(ge)電流只能(neng)給(gei)下方的(de)(de)Cgs電容(rong)充電,進(jin)而導(dao)致柵(zha)極(ji)(ji)電壓突然升高。當柵(zha)極(ji)(ji)電壓超過MOS管(guan)的(de)(de)門線電壓VTH時(shi),MOS管(guan)就容(rong)易(yi)發生誤導(dao)通(tong)(tong),長期的(de)(de)誤導(dao)通(tong)(tong)會對柵(zha)極(ji)(ji)造成損(sun)壞
5.2 寄生電容引發的問題實例
在(zai)半橋電路中(zhong),當一(yi)個MOS管導(dao)通時,由于米勒電容(rong)的存在(zai),會對另一(yi)個MOS管的柵極(ji)產生(sheng)影(ying)響。例如,在(zai)某開關(guan)(guan)電源(yuan)應用中(zhong),由于米勒電容(rong)的作用,導(dao)致柵極(ji)電壓(ya)異(yi)常升高,超(chao)出了(le)柵極(ji)的耐壓(ya)范圍(wei),最終造成(cheng)柵極(ji)擊穿損(sun)壞,使整(zheng)個開關(guan)(guan)電源(yuan)無法正常工作
5.3 外部電路過電壓的來源
5.3.1 外部電(dian)(dian)路中的過(guo)電(dian)(dian)壓可(ke)能由(you)多種原因產(chan)生,如雷擊(ji)(ji)、電(dian)(dian)網波動、感(gan)性負載的開關操(cao)作等。雷擊(ji)(ji)會產(chan)生瞬間的高電(dian)(dian)壓脈(mo)沖,可(ke)能通過(guo)電(dian)(dian)源線或信(xin)號線傳導至SIC MOS管(guan)
5.3.2 電網波動時,電壓的突(tu)然升高也會對SIC MOS管造成威脅(xie)
5.3.3 當感性負載(如電(dian)(dian)機、變壓(ya)(ya)器等)突然斷(duan)開時,會產生反(fan)電(dian)(dian)動勢,形成很高的電(dian)(dian)壓(ya)(ya)尖峰,這(zhe)些過電(dian)(dian)壓(ya)(ya)都可能通過電(dian)(dian)路傳導到SIC MOS管的柵(zha)極,對其造成損害
5.4 過電壓對柵極的損害原理
5.4.1 當柵(zha)(zha)(zha)(zha)極承受(shou)的電壓超過其額(e)定(ding)耐壓值時(shi),柵(zha)(zha)(zha)(zha)極氧(yang)化物(wu)會發(fa)生擊穿,導致柵(zha)(zha)(zha)(zha)極與溝道(dao)之間的絕緣性能(neng)下降,甚至短(duan)路;這會使柵(zha)(zha)(zha)(zha)極失(shi)去對(dui)溝道(dao)的控制(zhi)能(neng)力,SIC MOS管無法正常工(gong)作(zuo),嚴重(zhong)時(shi)會導致器(qi)件永久(jiu)性損壞(huai)
5.4.2 過(guo)電(dian)壓(ya)還(huan)可(ke)能(neng)引發柵(zha)極內(nei)部的(de)熱效應,使柵(zha)極材(cai)料的(de)溫度急(ji)劇(ju)升高(gao),造成材(cai)料的(de)性能(neng)劣(lie)化,進(jin)一步加(jia)劇(ju)柵(zha)極的(de)損壞
5.5 高溫環境的影響
5.5.1 SIC MOS管的工作(zuo)溫度特性
SIC MOS管雖然具有較好(hao)的(de)(de)(de)高(gao)溫(wen)性能,但在(zai)高(gao)溫(wen)環境下(xia),其(qi)性能參(can)數仍會(hui)發生(sheng)(sheng)變(bian)化(hua)。隨著溫(wen)度的(de)(de)(de)升高(gao),SIC MOS管的(de)(de)(de)導(dao)通電阻會(hui)增大,開關速度會(hui)降低,漏電流也會(hui)增加(jia)。這些參(can)數的(de)(de)(de)變(bian)化(hua)會(hui)導(dao)致器件的(de)(de)(de)功耗增加(jia),產生(sheng)(sheng)更多的(de)(de)(de)熱(re)量(liang),進一步(bu)加(jia)劇溫(wen)度的(de)(de)(de)上升。
當溫度(du)超過一定限(xian)度(du)時(shi),會(hui)對柵(zha)極的材料(liao)和(he)結構產生影響,降低(di)柵(zha)極的可靠性
5.5.2 高(gao)溫(wen)對柵極材料和結(jie)構的影(ying)響
高溫會(hui)使柵(zha)極(ji)(ji)(ji)的(de)絕(jue)(jue)緣(yuan)材料(liao)性能(neng)下(xia)降(jiang),導致柵(zha)極(ji)(ji)(ji)與(yu)溝道之間的(de)絕(jue)(jue)緣(yuan)電阻降(jiang)低(di),增加(jia)漏(lou)電風險。高溫還可能(neng)導致柵(zha)極(ji)(ji)(ji)金(jin)屬材料(liao)的(de)熱膨脹,使柵(zha)極(ji)(ji)(ji)與(yu)其他部件之間的(de)連(lian)接出現松動或斷裂,影響柵(zha)極(ji)(ji)(ji)的(de)正常工作; 在一些高溫應用(yong)場景(jing)中,如汽車發動機(ji)艙內的(de)電子設備(bei),SIC MOS管長期處于高溫環境下(xia),柵(zha)極(ji)(ji)(ji)的(de)損壞概率明顯增加(jia)
5.6 制造工藝缺陷
5.6.1 常見的制造工藝問題
在SIC MOS管的(de)制造(zao)過(guo)程中,可能會出(chu)現一(yi)些工藝缺(que)陷,如柵極(ji)氧化層中的(de)針(zhen)孔、雜質(zhi)污染、光刻偏(pian)差等(deng);這些缺(que)陷會導致柵極(ji)氧化層的(de)厚度不均(jun)勻,局部電(dian)場強度過(guo)高(gao),從(cong)而降低柵極(ji)的(de)耐(nai)壓能力
雜質(zhi)污染可能會改變柵極材料的電學性能,影響柵極的正(zheng)常工作。光刻偏差則可能導致柵極的尺寸精度不足,影響器件的性能一致性
5.6.2 工藝缺陷如何導致柵極損壞
柵(zha)極氧化層(ceng)中的針(zhen)孔會(hui)成為電(dian)(dian)流的泄漏通道,當電(dian)(dian)流通過針(zhen)孔時(shi),會(hui)產生局部發(fa)熱(re),導(dao)致氧化層(ceng)進一步損壞。
雜(za)質污染會使柵極材料的電阻率發生變化,影響(xiang)柵極的電場分布,增加柵極擊穿(chuan)的風險
光刻偏差(cha)導致的(de)柵極尺(chi)寸不一(yi)致,會使不同器件的(de)柵極性能存(cun)在(zai)差(cha)異,在(zai)實際應用(yong)中,性能較(jiao)差(cha)的(de)柵極更容易受(shou)到損(sun)壞
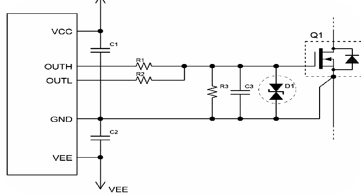
六(liu) 解決方案:柵極(ji)保護措(cuo)施 - 瞬態(tai)抑制(zhi)二(er)極(ji)管

基本工作原(yuan)理介紹
SMBJ1505CA是一種(zhong)高效的(de)電(dian)(dian)(dian)路(lu)保(bao)護(hu)器(qi)件,其工(gong)作(zuo)原(yuan)理(li)基于(yu)PN結的(de)雪崩擊穿效應。當TVS兩(liang)端的(de)電(dian)(dian)(dian)壓(ya)超過其擊穿電(dian)(dian)(dian)壓(ya)時,TVS會迅(xun)速導通,將過電(dian)(dian)(dian)壓(ya)鉗位在(zai)(zai)一個較低的(de)水平,從(cong)而保(bao)護(hu)被保(bao)護(hu)器(qi)件免受過高電(dian)(dian)(dian)壓(ya)的(de)沖擊,在(zai)(zai)電(dian)(dian)(dian)路(lu)中(zhong),TVS通常(chang)與(yu)被保(bao)護(hu)的(de)SIC MOS管柵(zha)極并聯連接。當出現瞬(shun)態過電(dian)(dian)(dian)壓(ya)時,TVS會在(zai)(zai)極短的(de)時間內(nei)(通常(chang)為納秒級)響應,將過電(dian)(dian)(dian)壓(ya)旁路(lu)到(dao)地,使柵(zha)極電(dian)(dian)(dian)壓(ya)保(bao)持在(zai)(zai)安(an)全范圍內(nei)
SMBJ1505CA 瞬態抑制二(er)極(ji)管是專門為SIC MOS管柵(zha)極(ji)保護設計的(de),其正向擊穿(chuan)電(dian)(dian)(dian)壓(ya)通常設定為15V左右,反向擊穿(chuan)電(dian)(dian)(dian)壓(ya)設定為 - 5V左右。這樣的(de)電(dian)(dian)(dian)壓(ya)設定能夠與SIC MOS管的(de)柵(zha)極(ji)工作(zuo)電(dian)(dian)(dian)壓(ya)范圍(wei)相匹配,有效地保護柵(zha)極(ji)免受(shou)正向和反向過電(dian)(dian)(dian)壓(ya)的(de)損害(hai),這種二(er)極(ji)管具(ju)有快(kuai)速(su)的(de)響(xiang)應時(shi)間(jian)、低動(dong)(dong)態電(dian)(dian)(dian)阻和高脈(mo)(mo)沖(chong)功率承(cheng)受(shou)能力等特(te)點(dian)。快(kuai)速(su)的(de)響(xiang)應時(shi)間(jian)能夠確保在過電(dian)(dian)(dian)壓(ya)出現的(de)瞬間(jian)及(ji)時(shi)動(dong)(dong)作(zuo),低動(dong)(dong)態電(dian)(dian)(dian)阻可以使鉗位(wei)電(dian)(dian)(dian)壓(ya)盡可能接近擊穿(chuan)電(dian)(dian)(dian)壓(ya),高脈(mo)(mo)沖(chong)功率承(cheng)受(shou)能力則保證了二(er)極(ji)管在承(cheng)受(shou)大電(dian)(dian)(dian)流脈(mo)(mo)沖(chong)時(shi)不會(hui)損壞

使用SMBJ1505CA的原因
防(fang)止串擾(rao)引起的(de)柵極電(dian)壓波動
在(zai)半橋電(dian)(dian)(dian)路(lu)等應用中,SIC MOS管模塊的開(kai)關(guan)(guan)動(dong)作會引(yin)(yin)起(qi)另一個模塊開(kai)關(guan)(guan)的柵(zha)源(yuan)極(ji)(ji)電(dian)(dian)(dian)壓(ya)(ya)波動(dong),即串(chuan)擾(rao)(rao)問(wen)題(ti)。正向串(chuan)擾(rao)(rao)可(ke)能導(dao)(dao)致柵(zha)極(ji)(ji)電(dian)(dian)(dian)壓(ya)(ya)正向抬(tai)升(sheng),若超過(guo)閾值將導(dao)(dao)致誤開(kai)通(tong);負(fu)向串(chuan)擾(rao)(rao)可(ke)能使(shi)柵(zha)極(ji)(ji)電(dian)(dian)(dian)壓(ya)(ya)負(fu)向增大(da),超過(guo)負(fu)壓(ya)(ya)耐受極(ji)(ji)限(xian)會導(dao)(dao)致柵(zha)極(ji)(ji)擊(ji)穿(chuan),SMBJ1505CA瞬態抑(yi)制二極(ji)(ji)管可(ke)以有(you)效地(di)抑(yi)制串(chuan)擾(rao)(rao)引(yin)(yin)起(qi)的柵(zha)極(ji)(ji)電(dian)(dian)(dian)壓(ya)(ya)波動(dong),當柵(zha)極(ji)(ji)電(dian)(dian)(dian)壓(ya)(ya)出現異常(chang)升(sheng)高或降低時(shi),TVS會迅速導(dao)(dao)通(tong),將電(dian)(dian)(dian)壓(ya)(ya)鉗位在(zai)安全范圍內,防止(zhi)誤開(kai)通(tong)和柵(zha)極(ji)(ji)擊(ji)穿(chuan)的發生
應對瞬態(tai)過電(dian)壓的威脅
如(ru)前(qian)所述,外部電(dian)(dian)路中存在各種瞬(shun)態過電(dian)(dian)壓(ya)的威脅,如(ru)雷擊(ji)、電(dian)(dian)網波(bo)動、感性負載開關等產生的過電(dian)(dian)壓(ya)。這些過電(dian)(dian)壓(ya)可能會瞬(shun)間超過SIC MOS管柵極(ji)的耐壓(ya)值,對柵極(ji)造成(cheng)不可逆(ni)的損壞。
瞬態(tai)抑(yi)制二極(ji)管能夠在過電壓出現的(de)(de)瞬間迅速(su)響應,將過電壓限制在安全(quan)范圍內,為SIC MOS管柵極(ji)提供(gong)可靠的(de)(de)保護,確保器件(jian)在惡劣的(de)(de)電氣環境下正常工作
加瞬態抑制二極管的好處 :提高柵極的可靠性和穩定性、簡化電路設計和維護
儲(chu)能(neng)變(bian)流器(PCS)
功能(neng):是(shi)儲能系統與(yu)電(dian)網(wang)之(zhi)間實現電(dian)能雙(shuang)向流動(dong)的核心部件,負(fu)責控制電(dian)池的充電(dian)和放電(dian)過程,進行交直流的變換。