




高分辨率多媒體接口(HDMI)是一種無壓縮的全數字音頻/視頻接口。它為視頻/音頻源設備與接收設備間提供了高速接口,如連接DVD機和數字顯示器。現在的HDMI硅片的數字信號傳輸速度可達到10.2Gbps。電路制造商持續不斷地縮小它們的器件中的晶體管、互連和絕緣層的最小尺寸,從而使高速器件的結構更小,最終導致器件在較低的能級也更易于因擊穿效應而損壞。
HDMI接口(kou)(kou)即(ji)是一種(zhong)易(yi)受(shou)(shou)瞬間破(po)壞(huai)的(de)(de)外接端(duan)口(kou)(kou),用(yong)于連(lian)接用(yong)戶端(duan)或帶電電纜(lan)。HDMI接口(kou)(kou)的(de)(de)內(nei)部ESD保護(hu)不足(zu)以使圖像(xiang)芯片免受(shou)(shou)破(po)壞(huai)。為了確保該(gai)端(duan)口(kou)(kou)的(de)(de)性能,消費(fei)電子(zi)制造商們需要加強HDMI端(duan)口(kou)(kou)的(de)(de)ESD性能,即(ji)如何在滿足(zu) HDMI兼容(rong)性測試(shi)規范(CTS)的(de)(de)信號完整(zheng)性和阻抗(kang)要求(qiu)的(de)(de)同時,根(gen)據全球認(ren)同的(de)(de)ESD標準(zhun)IEC61000-4-2硬化HDMI端(duan)口(kou)(kou)。
附(fu)件(jian):音特電子HDMI接口電路保(bao)護方案(an)
音特電子(zi)專注電路保護二十(shi)年,在模擬視頻(pin)接口保護電路方(fang)面主(zhu)要有:
.BNC 視頻接口保護
.DVI 接口保護
.TV side panel接口保護(hu)
音特電(dian)子(zi)致力于(yu)電(dian)路保護器件的(de)研發(fa),以及電(dian)路EMC測試(shi)與整改方案服務。
以下為(wei)音特電(dian)子(zi)的(de)部分TVS\ESD\GDT等產品在信息處理領域(yu)的(de)應用:

靜(jing)電放電對智(zhi)能門鎖的危害
靜電放電有(you)力學效(xiao)應,熱效(xiao)應,強電場效(xiao)應,電磁脈沖效(xiao)應, 對智能(neng)門鎖會產(chan)生很大影響(xiang),會造成元器件損壞,功能(neng)異常(chang)。
靜電的損壞具有隱(yin)蔽性,潛在性,隨機性,復雜(za)性給企業和生產造(zao)成無法估量(liang)的損失。
要(yao)避免這種損失(shi), 必(bi)須有充分的防靜電措施 。
智(zhi)能門鎖(suo)靜電防護標準
IEC61000-4-2 Electromagnetic compatibility (EMC) - Part 4-2:
Testing and measurement techniques -Electrostatic discharge immunity test
GB/T17626.2  電磁兼(jian)容試驗(yan)和測量技術靜電放電產生的(de)電騷(sao)擾試驗(yan)方法
智能(neng)門鎖系統組(zu)成框圖

因此(ci),智能門鎖需要(yao)在電源端口(kou)、單片機(ji)、按鍵、LED、USB2.0、RF模塊上進行靜(jing)電防護。
音特電子為智能門鎖系統的各部分提供了,ESD8V0D3B、ESD15VD3B、ESD3V3D3B、ESDSR05、ESDULC5V0D8B等ESD靜電防護器件(jian)。
下面為推薦保(bao)護電路方(fang)案,可供(gong)工程師(shi)設計參考。





附件:音特電(dian)子智能門鎖系統靜電(dian)保護方案.PDF
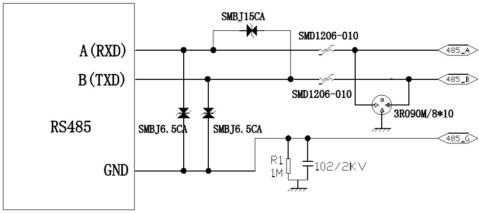
RS-485是采用(yong)差分信號負(fu)邏(luo)輯,邏(luo)輯“1”以(yi)(yi)兩(liang)線(xian)間的電壓差為(wei)+(2~6)V 表示;邏(luo)輯"0" 以(yi)(yi)兩(liang)線(xian)間的電壓差為(wei)-(2~6)V 表示,RS-485的數(shu)據(ju)最高傳輸(shu)速(su)率為(wei)10Mbps,接(jie)口是采用(yong)平(ping)衡驅(qu)動器和差分接(jie)收(shou)器的組合,抗共模干擾能力增強,即抗噪聲干擾性好。
廣泛用于工業傳(chuan)輸、智能家居(ju)、安防設(she)備的云臺(tai)控,類(lei)似這(zhe)些產(chan)品常常放置室(shi)外,極易  受到感應(ying)雷(lei)擊的破壞,從主線往支線 或(huo)支線傳(chuan)導到總線,接下來,討論關于 RS485傳(chuan)輸浪涌雷(lei)擊保護方法:


此為兩級防護,第一級用氣體放電管做粗保護, 第二級用 TVS 做二極管細保護,二級(ji)之間(jian)用 PPTC自恢復保險絲限(xian)流耦合(he),也稱兩(liang)級(ji)協同。
第一級 將浪涌雷擊脈沖電壓降低到90V 氣體放電管的限制電壓范圍(小于1KV,浪涌電壓不同,值會有不同)。
第二級 將氣體放電管殘留的電壓通過瞬態抑制二極管吸收,它具有動作時間快,嵌位電壓低的特點。可以將電壓降到10V 左右,對于 RS485接口芯片將會比較安全。
自恢復保險絲耦合級,一般用插件250V-080或120器件;因為安裝空間緊湊,可以考慮貼片 PPTC自恢復保險絲。
1M 、102/2KV 阻容并聯,有利于 EMC 的 GND 與 PE/FG 之間的解決。
AB 差分線之間用(yong)15V 器件(jian),主要考(kao)慮干線距離長、部份(fen)用(yong)戶會將使用(yong)9V 電(dian)源(yuan)供(gong)電(dian),進差分信號放大增(zeng)強。
(適合高精密電力設備、例如:電表)
此為兩級(ji)(ji)防護(hu),第一級(ji)(ji)用半導體放電管+CPTC 居里點正溫度系數熱敏電阻(zu), 第二(er)(er)級(ji)(ji)用TVS二(er)(er)極(ji)管做細保護(hu),二(er)(er)級(ji)(ji)之間用 PPTC自恢復保險絲限(xian)流耦合,也稱兩級(ji)(ji)協同(tong)。
第一級 用 CPTC自恢復保險絲+半導體放電管,半導體放電管具有動作時間快,續流電壓低的特性。當有雷擊浪涌通過時,器件將在 PS 級導通,將大的浪涌能量泄放被泄放點;當有電力線220V 串擾到 RS484A B 信號線上,半導體迅速導通,CPTC 電流增加,達到器件的居里溫度點,從而躍變斷開電路,從而起到保護后端設備的作用。
第二級 將氣體放電管殘留的電壓通過瞬態抑制二極管吸收,它具有動作時間快,嵌位電壓低的特點。可以將電壓降到10V 左右,對于 RS485接口芯片將會比較安全。
自恢復保險絲耦合級,一般用插件250V-080或120器件;因為安裝空間緊湊,可以考慮貼片 PPTC自恢復保險絲。
1M 、102/2KV 阻容并聯,有利于 EMC 的 GND 與 PE/FG 之間的解決。
AB 差分(fen)線(xian)之間用(yong) 15V 器件,主要考慮干線(xian)距離長、部份用(yong)戶(hu)會將使用(yong) 9V 電源供電,進差分(fen)信號放(fang)大(da)增強(qiang)。
關鍵詞:PPTC自恢復保險絲250V-080/120、TVS二極管、半導體放電管、氣體放電管、熱敏電阻。
如有問題,可聯系工程師詳細了解(yxgc.net)