


















1.1 2025年最新標準要(yao)求
GB 19417-2025《工業雷管(guan)通用安全技(ji)術要求(qiu)》
標準(zhun)在電(dian)磁(ci)兼容(rong)方面:
標準聚焦(jiao)靜電(dian)、射頻(pin)、電(dian)壓沖擊等電(dian)磁干(gan)擾場景,通過明確抗擾度(du)要(yao)求和試(shi)驗方(fang)法,確保工(gong)業雷管在復雜電(dian)磁環境中(zhong)不發生誤(wu)動作
標準在可靠性方面:
從機械應(ying)力(li)(震(zhen)動、拉(la)力(li)、撞(zhuang)擊等)、溫度應(ying)力(li)、特殊環境(煤(mei)礦)等多維(wei)度提(ti)出要求,結合嚴格的檢驗(yan)規則,保障雷(lei)管在全生命周期(qi)內的穩定(ding)性和安全性
1.2 GB 19417-2025《工業雷管通用安(an)全技術要求(qiu)》
| 
 電磁兼容項(xiang)目  | 
 技術要(yao)求  | 
 試驗方(fang)法  | 
 適(shi)用對象(xiang)  | 
| 
 靜電(dian)感(gan)度(du)  | 
 電容 500pF,串聯電(dian)阻 5kΩ,充電(dian)(dian)電(dian)(dian)壓 25kV 的(de)條件下(xia),經腳線-管殼放電方式,不應發生爆炸  | 
 WJ/T9042 的(de)規定(ding)進(jin)行  | 
 工業電雷管 工業電子雷管  | 
| 
 射頻感度  | 
 用功率 10W 的射頻源注入射頻能量(liang),在(zai)腳(jiao)線-腳線及腳線-管殼兩種模式下(xia),不應發生爆炸  | 
 GB/T27602 的規定進行  | 
 工業(ye)電(dian)雷管 工(gong)業電子雷管(guan)  | 
| 
 直流電(dian)壓沖擊性(xing)能  | 
 施(shi)加48V直流電壓,持(chi)續10s,不(bu)應發生爆(bao)炸  | 
 WJ/T9103 的規定進行  | 
 工業電子雷管  | 
| 
 交(jiao)流電壓沖擊性能  | 
 施加220V/50Hz交流電壓,不應發生爆(bao)炸  | 
 WJ/T9103 的規定進行  | 
 工(gong)業(ye)電(dian)子雷(lei)管  | 
| 
 直(zhi)流脈沖(chong)電壓(ya)沖(chong)擊性(xing)能  | 
 用儲能電容 200 (1±2%)μF,充(chong)電電壓 2000 (1±1%) V 的高壓直(zhi)流(liu)電(dian)源進行直(zhi)流(liu)脈(mo)沖電(dian)壓沖擊(ji),不應發生爆炸  | 
 WJ/T9103 的(de)規定(ding)進(jin)行  | 
 工業(ye)電子雷管  | 
1.3 GB 19417-2025《工業雷管通用(yong)安全技術要(yao)求》
| 
 可靠性  | 
 技術要(yao)求  | 
 試驗(yan)方法  | 
 適用對象  | 
| 
 抗震性能  | 
 置于(yu)凸輪(lun)轉(zhuan)速為 (60±1) r/min、落高為 (150±2) mm 的震(zhen)動試驗機中,連續震(zhen)動 10min,不應發生爆(bao)炸、結構松(song)散或損(sun)壞、短路(lu)、斷(duan)路(lu)和(he)性能(neng)不穩等現象  | 
 WJ/T9074 附錄 A 的(de)規定進(jin)行(xing)  | 
 工業電雷管/工(gong)業電子雷管/導(dao)爆管雷(lei)管  | 
| 
 抗拉(la)性能  | 
 在 49N 的(de)靜拉力作用下持續 1min,不(bu)應發生(sheng)爆炸,封(feng)口塞與腳線或(huo)導爆管不(bu)應發生(sheng)目(mu)視可見(jian)的損壞(huai)或(huo)移(yi)動  | 
 WJ/T9074 附錄 B 的規定進行  | 
 工業電雷管/工業電(dian)子雷管(guan)/導爆管(guan)雷管(guan)  | 
| 
 抗撞(zhuang)擊性(xing)能  | 
 點火部位(wei)(wei)、起爆(bao)部位(wei)(wei)在落錘質(zhi)量 2.0kg、落高 0.7m 條件下受到撞擊,不應發(fa)生(sheng)爆炸  | 
 WJ/T9074 的規定(ding)進行(xing)  | 
 工(gong)業電雷管/工業電子雷管(guan)/導爆管雷管  | 
| 
 抗跌(die)落性能  | 
 從(cong)距離水平鋼板垂直高(gao)度(du)為 5.0m 的高處(chu)跌落,不應發生爆炸或(huo)結構損壞  | 
 按(an)照 WJ/T9104 的規定進(jin)行  | 
 工(gong)業(ye)電雷(lei)管/工(gong)業電子雷管(guan)/導爆管雷(lei)管  | 
| 
 耐溫安全性能  | 
 在 100℃的環境中保持(chi) 4h,不應(ying)發(fa)生爆炸  | 
 按規定的儀器及裝置和試驗程(cheng)序進行(高溫箱溫度控制精度為 ±2℃等)  | 
 工業(ye)電雷(lei)管(guan)、工業(ye)電子雷(lei)管(guan)、導爆管(guan)雷(lei)管(guan)  | 
| 
 抗彎性(xing)能  | 
 施加 49N 的徑向(xiang)荷(he)載,持續(xu) 1min,不應(ying)發生爆炸(zha),管體不應(ying)呈現明顯(xian)的彎(wan)曲、裂紋(wen)和(he)折痕  | 
 按照 WJ/T9105 的規定進(jin)行  | 
 工業(ye)電(dian)雷(lei)(lei)(lei)管(guan)、工業(ye)電(dian)子雷(lei)(lei)(lei)管(guan)、導爆管(guan)雷(lei)(lei)(lei)管(guan)  | 
| 
 可燃氣安全(quan)度  | 
 在濃度(du)為 (9±0.3)% 的可(ke)燃(ran)氣(qi)(qi)中起爆時(shi),不(bu)應引爆可(ke)燃(ran)氣(qi)(qi)  | 
 按(an)照 GB18096 的規定進行  | 
 煤礦(kuang)許(xu)用型工業(ye)電雷(lei)管、煤礦(kuang)許(xu)用型工業(ye)電子(zi)雷(lei)管  | 
2.1 WJT9107-2025工業電(dian)子(zi)雷管 電(dian)子(zi)引火(huo)模(mo)塊(申(shen)報稿)
電磁兼容要求的(de)核心(xin)邏輯
分層(ceng)覆蓋電磁干擾場景:
從(cong)低頻(50Hz 交(jiao)流電(dian)(dian))到(dao)(dao)高(gao)頻(15.0GHz 射頻)、從(cong)持續(xu)電(dian)(dian)壓(直(zhi)流 48V)到(dao)(dao)瞬時脈(mo)沖(2000V 單脈(mo)沖)、從(cong)靜電(dian)(dian)到(dao)(dao)電(dian)(dian)磁輻(fu)射,全面覆蓋工(gong)業電(dian)(dian)子雷管可(ke)能面臨的電(dian)(dian)磁環境(如礦山(shan)、工(gong)地、勘探現場(chang)的復雜電(dian)(dian)磁干擾)
雙重考核指標:
所有項(xiang)目均要求 “不(bu)發生(sheng)誤(wu)發火(huo)”(無煙火(huo))+“后續功能正常(chang)”(通(tong)信(xin)、發火(huo)可靠(kao)),既防止即時危險(xian),又保障(zhang)模塊在干擾后仍(reng)能按程(cheng)序(xu)工作,體現 “安全性(xing)” 與(yu) “可靠(kao)性(xing)” 的雙重(zhong)要求。
適配電子(zi)引(yin)火模塊的核心作用
電(dian)(dian)(dian)子引(yin)火模塊是工業電(dian)(dian)(dian)子雷(lei)管(guan)的 “點火控制(zhi)核心(xin)”,其(qi)電(dian)(dian)(dian)磁(ci)(ci)兼容性(xing)能直接決定雷(lei)管(guan)是否會(hui)因電(dian)(dian)(dian)磁(ci)(ci)干(gan)(gan)擾(rao)誤(wu)起爆(bao),因此(ci)標(biao)準通過嚴格指標(biao)確保其(qi)在電(dian)(dian)(dian)磁(ci)(ci)干(gan)(gan)擾(rao)下的 “抗誤(wu)動” 能力,是整(zheng)個(ge)雷(lei)管(guan)安全鏈(lian)的關鍵環(huan)節
2.2  WJT9107-2025(申報稿) 核心電磁兼容(rong)要求及技術細(xi)節(jie)
| 
 序號  | 
 項(xiang)目名稱(cheng)  | 
 技術要求  | 
 核心目的(de)  | 
| 
 1  | 
 直(zhi)流電(dian)壓沖擊性能  | 
 在(zai)模塊兩腳間施(shi)加 48V 直流電,持續 10s1. 電引火(huo)元件不應(ying)產生目視可見的(de)煙或火(huo)2. 測試后模塊組網應能正常(chang)通信、發火  | 
 抵抗(kang)直流電路中(zhong)可能出現的(de)電壓(ya)波動(如電路故障(zhang)、電源異常),防止(zhi)誤觸發  | 
| 
 2  | 
 交(jiao)流電(dian)壓(ya)沖擊性(xing)能(neng)  | 
 在模塊兩(liang)腳間(jian)施加 220V/50Hz 交(jiao)流電(dian)電引火元件(jian)不(bu)應(ying)產生目視(shi)可見的煙或火  | 
 抵抗民用交流電環(huan)境中的(de)泄漏、感應電壓(如(ru)近(jin)距離接觸(chu)供電線路(lu)),避免誤動(dong)作  | 
| 
 3  | 
 靜電感度(du)  | 
 在模塊兩腳間以 “25kV 充電電壓(ya)、500pF 電容、5kΩ 串聯電阻” 注入放電:1. 電引火元件不應產(chan)生煙或火2. 測試(shi)后模塊(kuai)組網應能正常通信、發火  | 
 抵抗(kang)靜電(dian)放電(dian)干擾(如(ru)人體靜電(dian)、設(she)備摩擦起電(dian)),防止(zhi)靜電(dian)引發早爆  | 
| 
 4  | 
 直(zhi)流單脈沖(chong)電(dian)壓沖(chong)擊(ji)性能  | 
 在模塊(kuai)兩腳間以(yi) “2000V(±1%)充電(dian)電(dian)壓、200μF(±2%)電容” 注入放電,電引火元件不(bu)應(ying)產生目視可見的煙或(huo)火  | 
 抵抗瞬間高壓(ya)脈(mo)沖干擾(rao)(如雷電感應、電路開(kai)關操作產生(sheng)的浪涌),避免脈(mo)沖觸發(fa)  | 
2.3 WJT9107-2025(申(shen)報稿) 技術(shu)挑戰
針對直流 48V、220V 交流、2000V 直流單(dan)脈沖電(dian)(dian)壓的(de)沖擊測(ce)試要求,對于工(gong)作在 24V 以下電(dian)(dian)平(ping)(ping)的(de)電(dian)(dian)子雷管系統而言(yan),從(cong)芯片工(gong)藝和總線(xian)電(dian)(dian)平(ping)(ping)電(dian)(dian)壓兩方面存(cun)在顯著技術挑戰
挑戰01.
電(dian)子(zi)引火模塊的(de)(de)核(he)心控制芯(xin)片(pian)(如邏輯芯(xin)片(pian)、通信芯(xin)片(pian)、儲能管理(li)芯(xin)片(pian)等)需(xu)適配系統(tong) 24V 以下的(de)(de)低(di)電(dian)平(ping)工(gong)(gong)作環境,但其同時要承受(shou)遠(yuan)高(gao)于工(gong)(gong)作電(dian)壓(ya)(ya)(ya)的(de)(de)沖擊(48V 為工(gong)(gong)作電(dian)壓(ya)(ya)(ya)的(de)(de) 2 倍(bei)以上(shang),2000V 更是高(gao)達百倍(bei)級),芯(xin)片(pian)工(gong)(gong)藝需(xu)平(ping)衡 “低(di)功耗 / 低(di)電(dian)壓(ya)(ya)(ya)適配” 與(yu) “高(gao)耐壓(ya)(ya)(ya)抗沖擊” 的(de)(de)矛(mao)盾
挑戰02.
耐壓能力與工藝兼容性的沖突,低電平(<24V)芯片通常采用低壓工藝(如 CMOS 工藝中 5V、3.3V 耐壓的氧化層設計),其半導體襯底、柵氧化層厚度等參數針對低電壓優化,以降低導通電阻和功耗;但48V直流、220V交流(峰值約311V)、2000V 脈沖的沖擊會產生遠超其耐壓極限的電場,可能導致柵氧化層擊穿、PN 結反向擊穿或金屬互聯線熔斷
2.4 WJT9107-2025(申(shen)報(bao)稿) 技術挑(tiao)戰
即要還要
要不(bu)冒煙(yan),還要能(neng)通(tong)正(zheng)常工作
為了安全生產,一切都是必要
3.1 幾份標準(zhun)的引用(yong)關(guan)系

3.2 標準(zhun)定位與核心范(fan)圍
層級清晰:
GB 19417-2025 是頂層通(tong)用(yong)標(biao)(biao)準,WJ/T9085-2024 是電子雷管專(zhuan)項標(biao)(biao)準,WJ/T 9107-2025 是組件級標(biao)(biao)準,WJ/T 9103-2024是方法標(biao)(biao)準,形成“通(tong)用(yong)→專(zhuan)項→組件/方法”的縱向支撐(cheng)鏈
互補性強:
橫向層面(mian),通用(yong)標(biao)(biao)準與專(zhuan)項標(biao)(biao)準在指標(biao)(biao)上(shang)保持一(yi)致,組件標(biao)(biao)準與整機標(biao)(biao)準配套(tao),方法標(biao)(biao)準為所有涉及 “電壓(ya)沖擊” 的(de)測試提供統(tong)一(yi)依(yi)據,確保技術要求的(de)可(ke)操(cao)作(zuo)性和一(yi)致性
核心聚焦:
所有標準均圍繞 “工業電子雷管的安全性能”(如抗(kang)電磁干擾、可靠性)展開(kai),引用(yong)關系服(fu)務于(yu) “從通用(yong)到具(ju)體、從整機(ji)到組件、從要(yao)求到方法” 的邏輯閉環
4.1 48V、220V 交流、2000V 直(zhi)流單脈沖解(jie)決思路

4.3 220V 工(gong)頻電(dian)壓交(jiao)流測試(shi)
工頻電(dian)壓交流測試(shi),其(qi)實在通訊電(dian)話線行業,就(jiu)是電(dian)力線搭接類(lei)似,標準內容(rong):

目前的P0300DA和SMF24CA可(ke)以滿(man)足要求,但是它將(jiang)不能滿(man)足5.9項的測(ce)試要求
本項測(ce)試(shi)的(de)通(tong)過取(qu)決與器件電壓和塑封料(liao)的(de)材料(liao);阻燃劑(ji)氫(qing)氧(yang)化鋁AL(OH)3,神一樣存存
4.4 2000V 單脈沖測試思(si)路與思(si)考

計算一下能量:能量公式(shi):E = CV2 / 2
  E 為能(neng)量(單(dan)位(wei):焦耳(er),J)
C 為電容(單位:法拉,F)
  V 為電壓(單(dan)位:伏特,V)
電容器儲存的(de)能(neng)量為 400 焦耳(J),= 大致(zhi)相當于 40kg 物體從 1 米高處下落的(de)動(dong)能(neng) = 約 0.1 克(ke) TNT 的(de)能(neng)量
4.4.1 2000V 單脈沖測試思路與思考(kao)理論(lun)思路依據:
常(chang)溫(wen)下(xia),根(gen)據(ju)IEC60664-1 或 IPC-2221B規(gui)則,綜(zong)合計算出來2000V直流不拉(la)弧最小間(jian)距4-10mm之間(jian)
假如醫療設備需(xu)符(fu)合 UL 60601-1(間(jian)隙(xi)≥12mm),航空領域需(xu)符(fu)合 DO-160G(間(jian)隙(xi)≥15mm)
思考:
一. 針對電子(zi)雷管,行業最少也等同于醫(yi)療設備推薦的12mm;但(dan)是電子(zi)雷管的實際間隙和空間是達不到的
然而,標準和實際(ji)情況(kuang)是防(fang)止非(fei)常小概率的人(ren)為用錯(cuo)(cuo)設備,拿錯(cuo)(cuo)啟(qi)爆(bao)(bao)器(qi),接(jie)錯(cuo)(cuo)啟(qi)爆(bao)(bao)器(qi)
二. 電子雷管(guan)的絞線與雷管(guan)模組之間的連接端子,PCBA線的走線,表面的絕緣材料(liao),簡稱:綠油,阻焊劑(Solder Mask),其核心成分是環氧樹脂和光引發(fa)劑,它具(ju)有絕緣作用
三(san). 是否有(you)高能吸收材(cai)料,可以吸收能量;通過磁(ci)、光、熱(re)的形勢(shi)損耗?但又不要影響發火電阻
4.5 解(jie)決思路?
高吸能材料的(de)思路
吸收過(guo)程(cheng)中不發生爆(bao)炸、飛濺(jian)等二次危害,優先通(tong)過(guo)塑性變(bian)形、斷裂或相變(bian)等可控(kong)方式耗能
金屬基吸能材料(liao)
泡沫鋁(lv)(lv)、多孔銅、鋁(lv)(lv)合金蜂窩結構(gou),通(tong)過孔隙壓潰、塑性(xing)變形(金屬晶格滑移(yi))耗散能量(liang),屬于 “塑性(xing)耗能”,單次使用后不可(ke)恢復
高分子基(ji)吸能材料
閉孔聚氨酯泡沫、丁(ding)基橡膠(jiao)、超高分子(zi)量聚乙烯;通過高分子(zi)鏈的彈性形變(bian)(bian)(可(ke)逆)或斷裂(lie)(不(bu)可(ke)逆)耗散能量,形狀記(ji)憶(yi)合金(SMA),馬氏體相變(bian)(bian)可(ke)逆吸能
涉及到的物料:
//yxgc.net/products/emsproduct/tvs/index.html
//yxgc.net/products/emsproduct/tss/index.html
//v.youku.com/v_show/id_XNDU1NTQ3NTQyMA==.html?spm=a2hbt.13141534.app.5~5!2~5!2~5~5~5!2~5~5!2~5!2~5!2~5~5!19~A
//v.youku.com/v_show/id_XNDU1NjM0MjEwMA==.html?spm=a2hbt.13141534.app.5~5!2~5!2~5~5~5!2~5~5!2~5!2~5!2~5~5~A
//v.youku.com/v_show/id_XNDU1NjMyNDMwNA==.html?spm=a2hbt.13141534.app.5~5!2~5!2~5~5~5!2~5~5!2~5!2~5!2~5~5~A
TVS的(de)參數(shu)主要(yao)有:
1.擊(ji)穿(chuan)電壓(VBR):TVS在(zai)此時阻抗(kang)驟然(ran)降低,處于(yu)雪(xue)崩擊(ji)穿(chuan)狀態。
2.測試電(dian)流(IT):TVS的(de)擊(ji)穿(chuan)電(dian)壓VBR在此電(dian)流下(xia)測量而得。一般情況(kuang)下(xia)IT取1mA。
3.反向變位(wei)電壓(ya)(VRWM):TVS的最大(da)額(e)定直流(liu)工(gong)作電壓(ya),當TVS兩端電壓(ya)繼續上(shang)升(sheng),TVS將處于高阻狀態。此參數也可(ke)被認(ren)為 是所保護電路的工(gong)作電壓(ya)。
4.最大(da)(da)反向漏(lou)電(dian)流(IR):在(zai)工作電(dian)壓下測得的流過(guo)TVS的最大(da)(da)電(dian)流。
5.最大峰值脈沖(chong)電(dian)流(IPP):TVS允許流過的(de)(de)最大浪涌(yong)(yong)電(dian)流,它反映(ying)了TVS的(de)(de)浪涌(yong)(yong)抑制能(neng)力。
6.最(zui)大(da)(da)箝位(wei)(wei)(wei)電(dian)壓(ya)(VC):當TVS管承受瞬態高(gao)能量沖擊時(shi),管子中流過大(da)(da)電(dian)流,峰(feng)值(zhi)(zhi)(zhi)為(wei)IPP,端(duan)電(dian)壓(ya)由VRWM值(zhi)(zhi)(zhi)上(shang)升到VC值(zhi)(zhi)(zhi)就不再(zai)上(shang)升了,從而實現(xian)了保護作用。浪涌過后,隨時(shi)間IPP以指數形式(shi)衰(shuai)減,當衰(shuai)減到一定值(zhi)(zhi)(zhi)后,TVS兩(liang)端(duan)電(dian)壓(ya)由VC開始下降,恢復原來狀態。最(zui)大(da)(da)箝位(wei)(wei)(wei)電(dian)壓(ya)VC與擊穿電(dian)壓(ya)VBR之比稱箝位(wei)(wei)(wei)因子Cf,表示(shi)為(wei)Cf= VC /VBR,一般箝位(wei)(wei)(wei)因子僅為(wei)1.2~1.4。
7.峰值(zhi)脈(mo)沖功(gong)率(PP):PP按峰值(zhi)脈(mo)沖功(gong)率的不(bu)同(tong)TVS分為(wei)四種,有500W、600W、1500W和5000W。
8.最(zui)大(da)峰(feng)(feng)值(zhi)脈(mo)(mo)(mo)沖(chong)(chong)(chong)功(gong)率(lv):最(zui)大(da)峰(feng)(feng)值(zhi)脈(mo)(mo)(mo)沖(chong)(chong)(chong)功(gong)率(lv)為(wei):PN=VC·IPP。顯然(ran),最(zui)大(da)峰(feng)(feng)值(zhi)脈(mo)(mo)(mo)沖(chong)(chong)(chong)功(gong)率(lv)愈(yu)大(da),TVS所能承受的峰(feng)(feng)值(zhi)脈(mo)(mo)(mo)沖(chong)(chong)(chong)電(dian)(dian)流IPP愈(yu)大(da);另(ling)一方面(mian),額定峰(feng)(feng)值(zhi)脈(mo)(mo)(mo)沖(chong)(chong)(chong)功(gong)率(lv)PP確定以后,所TVS能承受的峰(feng)(feng)值(zhi)脈(mo)(mo)(mo)沖(chong)(chong)(chong)電(dian)(dian)流IPP,隨(sui)著最(zui)大(da)箝位電(dian)(dian)壓VC的降(jiang)低而(er)增(zeng)加。TVS最(zui)大(da)允許脈(mo)(mo)(mo)沖(chong)(chong)(chong)功(gong)率(lv)除(chu)了(le)和峰(feng)(feng)值(zhi)脈(mo)(mo)(mo)沖(chong)(chong)(chong)電(dian)(dian)流和箝位電(dian)(dian)壓有(you)關外,還和脈(mo)(mo)(mo)沖(chong)(chong)(chong)波形(xing)、脈(mo)(mo)(mo)沖(chong)(chong)(chong)持續時間和環境溫度(du)有(you)關。
對于幾種不同(tong)的(de)脈沖(chong)波形(xing)PN=K·VC·IPP,其中K為功率因數,圖3給出(chu)了幾種典型脈沖(chong)波形(xing)的(de)K值。
TVS器件規定,脈沖(chong)重復率(lv)比(bi)(脈沖(chong)持續時(shi)間(jian)和(he)間(jian)歇(xie)時(shi)間(jian)之比(bi))為0.01%。如不(bu)符合(he)這一(yi)(yi)條件,脈沖(chong)功率(lv)的積累(lei)有可能使TVS燒毀(hui)。電路(lu)設(she)計人員應注(zhu)意這一(yi)(yi)點。TVS的工作(zuo)是可靠的, 即使長期承受不(bu)重復性大(da)脈沖(chong)的高能量的沖(chong)擊,也(ye)不(bu)會出(chu)現"老化"問題。試驗(yan)證明(ming),TVS安全 工作(zuo)于10000次脈沖(chong)后(hou),其最大(da)允許脈沖(chong)功率(lv)仍為原值的80%以上。
TVS所能(neng)承受的(de)(de)(de)瞬時(shi)脈(mo)沖峰值可(ke)達(da)(da)數百安(an)培,其箝位響應時(shi)間(jian)僅為1*10-12 秒;TVS所允許(xu)的(de)(de)(de)正(zheng)向浪(lang)涌電(dian)流(liu),在25℃,1/120秒的(de)(de)(de)條件下(xia),也(ye)可(ke)達(da)(da)50-200安(an)培。一般地說,TVS所能(neng)承受的(de)(de)(de)瞬 時(shi)脈(mo)沖是(shi)不重復的(de)(de)(de)脈(mo)沖。而實際(ji)應用中,電(dian)路里可(ke)能(neng)出現重復性脈(mo)沖。
1、按主要參數選擇
(1)額定正向(xiang)工(gong)作電流
額定正向工(gong)作電流指二極(ji)管(guan)長期連續工(gong)作時(shi)允(yun)許通過的最大正向電流值。
(2)最大浪涌電流
最大浪(lang)涌電(dian)(dian)流(liu)(liu),是允許(xu)流(liu)(liu)過(guo)的(de)過(guo)量正向(xiang)電(dian)(dian)流(liu)(liu),它不是正常(chang)電(dian)(dian)流(liu)(liu),而是瞬間電(dian)(dian)流(liu)(liu)。其值通(tong)常(chang)是額定正向(xiang)工作電(dian)(dian)流(liu)(liu)的(de)20倍左右(you)。
(3)最(zui)高反向工(gong)作電(dian)壓
加在二(er)極管兩(liang)端的反(fan)向(xiang)工作(zuo)電(dian)壓(ya)高到一定值(zhi)(zhi)時(shi),管子將會擊穿,失去(qu)單向(xiang)導(dao)電(dian)能力。為了(le)保證使用安全,規定了(le)最高反(fan)向(xiang)工作(zuo)電(dian)值(zhi)(zhi)。例(li)如,lN4001二(er)極管反(fan)向(xiang)耐(nai)壓(ya)為50V,lN4007的反(fan)向(xiang)耐(nai)壓(ya)為1000V。
(4)反向電流
反(fan)(fan)向(xiang)電(dian)流是指二極(ji)管在規定(ding)的溫(wen)度(du)和最高(gao)反(fan)(fan)向(xiang)電(dian)壓作用下,流過(guo)二極(ji)管的反(fan)(fan)向(xiang)電(dian)流。反(fan)(fan)向(xiang)電(dian)流越(yue)小,管子的單方向(xiang)導電(dian)性能越(yue)好。
反向電流與(yu)溫度密(mi)切(qie)相關,大約溫度每(mei)升(sheng)高10℃,反向電流增大一(yi)倍(bei)。
硅二(er)極管(guan)比鍺二(er)極管(guan)在高溫下具有較好的(de)穩定性。
(5)反向恢復時間
從正(zheng)向(xiang)電(dian)壓變成反(fan)(fan)向(xiang)電(dian)壓時(shi),電(dian)流一般不能瞬(shun)時(shi)截(jie)止(zhi),要延遲(chi)一點點時(shi)間,這個時(shi)間就是反(fan)(fan)向(xiang)恢復時(shi)間。它直接影響二(er)極管的開關速度。
(6)最大功率
最大功率就是加在二極管(guan)兩端的電(dian)壓(ya)乘以流(liu)過的電(dian)流(liu)。這個極限參數對穩壓(ya)二極管(guan)等顯得特別。
(7)頻率特性
由于結(jie)電(dian)容的存在,當(dang)頻(pin)率高到某一程度時,容抗小到使(shi) PN 結(jie)短路。導(dao)致二極管失去單向導(dao)電(dian)性,不(bu)(bu)能工作(zuo),PN 結(jie)面積越大(da),結(jie)電(dian)容也越大(da),越不(bu)(bu)能在高頻(pin)情況(kuang)下工作(zuo)。
2、不同二(er)極管(guan)的(de)選用
(1)檢波二極管
檢波二(er)極管一般可選(xuan)用點接觸(chu)型鍺二(er)極管,選(xuan)用時,應根據電路的具(ju)體要求來選(xuan)擇(ze)工作頻率高、反向電流小、正向電流足夠大的檢波二(er)極管。
(2)整流二極管
整(zheng)(zheng)(zheng)流(liu)二(er)極(ji)管(guan)一般為(wei)平面型硅(gui)二(er)極(ji)管(guan),用(yong)(yong)(yong)于各種電(dian)(dian)源整(zheng)(zheng)(zheng)流(liu)電(dian)(dian)路中。選用(yong)(yong)(yong)整(zheng)(zheng)(zheng)流(liu)二(er)極(ji)管(guan)時(shi),主要(yao)應考慮其最大整(zheng)(zheng)(zheng)流(liu)電(dian)(dian)流(liu)、最大反(fan)向(xiang)(xiang)工(gong)作電(dian)(dian)流(liu)、截止頻(pin)率及反(fan)向(xiang)(xiang)恢復時(shi)間等參數。普通串聯(lian)穩壓電(dian)(dian)源電(dian)(dian)路中使用(yong)(yong)(yong)的整(zheng)(zheng)(zheng)流(liu)二(er)極(ji)管(guan),對截止頻(pin)率的反(fan)向(xiang)(xiang)恢復時(shi)間要(yao)求不高,只要(yao)根據電(dian)(dian)路的要(yao)求選擇最大整(zheng)(zheng)(zheng)流(liu)電(dian)(dian)流(liu)和最大反(fan)向(xiang)(xiang)工(gong)作電(dian)(dian)流(liu)符合要(yao)求的整(zheng)(zheng)(zheng)流(liu)二(er)極(ji)管(guan)即可。
(3)穩壓二極管
穩(wen)壓(ya)二極(ji)管一(yi)般(ban)用(yong)在穩(wen)壓(ya)電(dian)(dian)源中(zhong)作為基準電(dian)(dian)壓(ya)源或(huo)用(yong)在過電(dian)(dian)壓(ya)保(bao)護電(dian)(dian)路中(zhong)作為保(bao)護二極(ji)管。選用(yong)的(de)穩(wen)壓(ya)二極(ji)管,應滿足應用(yong)電(dian)(dian)路中(zhong)主要(yao)參數(shu)的(de)要(yao)求。穩(wen)壓(ya)二極(ji)管的(de)穩(wen)定(ding)(ding)電(dian)(dian)壓(ya)值應與(yu)應用(yong)電(dian)(dian)路的(de)基準電(dian)(dian)壓(ya)值相同,穩(wen)壓(ya)二極(ji)管的(de)最大穩(wen)定(ding)(ding)電(dian)(dian)流應高于(yu)應用(yong)電(dian)(dian)路的(de)最大負載(zai)電(dian)(dian)流50%左右。
(4)開關二極管
開(kai)關二極管主要應用(yong)于收錄機、電(dian)視機、影碟機等家(jia)用(yong)電(dian)器及(ji)電(dian)子設(she)備有開(kai)關電(dian)路、檢波電(dian)路、高頻脈沖整流(liu)電(dian)路等。
中速開(kai)關電(dian)路(lu)和檢波電(dian)路(lu),可以(yi)選(xuan)用2AK系(xi)(xi)(xi)列普通開(kai)關二(er)極(ji)管(guan)。高(gao)速開(kai)關電(dian)路(lu)可以(yi)選(xuan)用RLS系(xi)(xi)(xi)列、1SS系(xi)(xi)(xi)列、1N系(xi)(xi)(xi)列、2CK系(xi)(xi)(xi)列的高(gao)速開(kai)關二(er)極(ji)管(guan)。
要(yao)根據應用電路的主(zhu)要(yao)參數(如正向電流、最高(gao)反向電壓、反向恢復時間等)來選擇開關(guan)二極管的具體型號。
(5)變容二極管
選用變(bian)容(rong)(rong)二(er)極管(guan)時,應著重考(kao)慮其工作頻率、最(zui)高反(fan)向工作電(dian)壓、最(zui)大正向電(dian)流(liu)和零(ling)偏(pian)壓結(jie)電(dian)容(rong)(rong)等(deng)參數是(shi)否(fou)符合應用電(dian)路(lu)的(de)要求(qiu),應選用結(jie)電(dian)容(rong)(rong)變(bian)化大、高Q值、反(fan)向漏電(dian)流(liu)小的(de)變(bian)容(rong)(rong)二(er)極管(guan)。
//v.youku.com/v_show/id_XNDU1NTQzMzgyMA==.html?spm=a2h0k.11417342.soresults.dtitle
//v.youku.com/v_show/id_XNDU1NTQ0MTMwOA==.html?spm=a2hbt.13141534.app.5~5!2~5!2~5~5~5!2~5~5!2~5!2~5!2~5~5!23~A
//v.youku.com/v_show/id_XNDU1NTQ0NTUzMg==.html?spm=a2hbt.13141534.app.5~5!2~5!2~5~5~5!2~5~5!2~5!2~5!2~5~5!24~A
//v.youku.com/v_show/id_XNDU1NTQ0OTYwMA==.html?spm=a2hbt.13141534.app.5~5!2~5!2~5~5~5!2~5~5!2~5!2~5!2~5~5!22~A
//v.youku.com/v_show/id_XNDU1NTQ1Mzg4MA==.html?spm=a2hbt.13141534.app.5~5!2~5!2~5~5~5!2~5~5!2~5!2~5!2~5~5!21~A
//v.youku.com/v_show/id_XNDU1NTQ1NzY4MA==.html?spm=a2hbt.13141534.app.5~5!2~5!2~5~5~5!2~5~5!2~5!2~5!2~5~5!19~A
//v.youku.com/v_show/id_XNDU1NTQ2Mzg2MA==.html?spm=a2hbt.13141534.app.5~5!2~5!2~5~5~5!2~5~5!2~5!2~5!2~5~5!20~A
//v.youku.com/v_show/id_XNDU1NjMxMDMwNA==.html?spm=a2hbt.13141534.app.5~5!2~5!2~5~5~5!2~5~5!2~5!2~5!2~5~5~A
//v.youku.com/v_show/id_XNDU1NTQ3MDI3Ng==.html?spm=a2hbt.13141534.app.5~5!2~5!2~5~5~5!2~5~5!2~5!2~5!2~5~5!18~A
//v.youku.com/v_show/id_XNDU1NTgzNjU0MA==.html?spm=a2hbt.13141534.app.5~5!2~5!2~5~5~5!2~5~5!2~5!2~5!2~5~5!18~A
//v.youku.com/v_show/id_XNDU1NTg0MDE2OA==.html?spm=a2hbt.13141534.app.5~5!2~5!2~5~5~5!2~5~5!2~5!2~5!2~5~5!17~A
//v.youku.com/v_show/id_XNDU1NTk2MjE2NA==.html?spm=a2hbt.13141534.app.5~5!2~5!2~5~5~5!2~5~5!2~5!2~5!2~5~5!16~A
//v.youku.com/v_show/id_XNDU1NTk2ODg0OA==.html?spm=a2hbt.13141534.app.5~5!2~5!2~5~5~5!2~5~5!2~5!2~5!2~5~5!15~A
關鍵(jian)詞:PPTC自恢復保險絲、EMS常用器件。
//v.youku.com/v_show/id_XNDU1NTk3NDk1Ng==.html?spm=a2hbt.13141534.app.5~5!2~5!2~5~5~5!2~5~5!2~5!2~5!2~5~5!13~A
//v.youku.com/v_show/id_XNDU1NTk3OTkyMA==.html?spm=a2hbt.13141534.app.5~5!2~5!2~5~5~5!2~5~5!2~5!2~5!2~5~5!14~A
//v.youku.com/v_show/id_XNDU1NTk4Mzg1Ng==.html?spm=a2hbt.13141534.app.5~5!2~5!2~5~5~5!2~5~5!2~5!2~5!2~5~5!12~A
//v.youku.com/v_show/id_XNDU1NTk4OTM0MA==.html?spm=a2hbt.13141534.app.5~5!2~5!2~5~5~5!2~5~5!2~5!2~5!2~5~5!11~A
//v.youku.com/v_show/id_XNDU1NTk5Nzg4MA==.html?spm=a2hbt.13141534.app.5~5!2~5!2~5~5~5!2~5~5!2~5!2~5!2~5~5!11~A
//v.youku.com/v_show/id_XNDU1NjAwODg3Ng==.html?spm=a2hbt.13141534.app.5~5!2~5!2~5~5~5!2~5~5!2~5!2~5!2~5~5!9~A
//v.youku.com/v_show/id_XNDU1NjAxMTgzNg==.html?spm=a2hbt.13141534.app.5~5!2~5!2~5~5~5!2~5~5!2~5!2~5!2~5~5!9~A
//v.youku.com/v_show/id_XNDU1NjAyMTA2MA==.html?spm=a2hbt.13141534.app.5~5!2~5!2~5~5~5!2~5~5!2~5!2~5!2~5~5!8~A
//v.youku.com/v_show/id_XNDU1NjAyNTA0OA==.html?spm=a2hbt.13141534.app.5~5!2~5!2~5~5~5!2~5~5!2~5!2~5!2~5~5!8~A
//v.youku.com/v_show/id_XNDU1NjAzMjAzNg==.html?spm=a2hbt.13141534.app.5~5!2~5!2~5~5~5!2~5~5!2~5!2~5!2~5~5!7~A
//v.youku.com/v_show/id_XNDU1NjAyNTA0OA==.html?spm=a2hbt.13141534.app.5~5!2~5!2~5~5~5!2~5~5!2~5!2~5!2~5~5!8~A
//v.youku.com/v_show/id_XNDU1NjAzMjAzNg==.html?spm=a2hbt.13141534.app.5~5!2~5!2~5~5~5!2~5~5!2~5!2~5!2~5~5!7~A
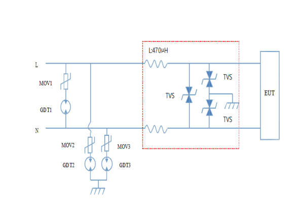
電(dian)(dian)涌顧名思(si)義(yi)就是(shi)超出(chu)(chu)正常工作電(dian)(dian)壓的瞬間過(guo)電(dian)(dian)壓,其來(lai)源分為(wei)外部來(lai)源(雷電(dian)(dian)和電(dian)(dian)網中開關(guan)(guan)操作等在電(dian)(dian)力線(xian)路上產(chan)(chan)生(sheng)的過(guo)電(dian)(dian)壓)和內部來(lai)源(空(kong)調、電(dian)(dian)梯、電(dian)(dian)焊(han)機、空(kong)氣壓縮機和其它(ta)感應性(xing)負荷),根(gen)據(ju)統(tong)計(ji),在美(mei)國:由于(yu)電(dian)(dian)涌給各行業造成的停(ting)產(chan)(chan)、時間的損失、設備(bei)維修、過(guo)早地(di)更換設備(bei)等直接損失每(mei)年(nian)高達 260 億美(mei)金,在中國,據(ju)有關(guan)(guan)統(tong)計(ji),在保修期內出(chu)(chu)現問題的電(dian)(dian)氣產(chan)(chan)品中,有 63%是(shi)由于(yu)電(dian)(dian)涌產(chan)(chan)生(sheng)的。我司依(yi)據(ju)GB/T17626.5 IEC61000-4-5 對(dui)浪涌(沖擊)抗擾度試驗,詳細列出(chu)(chu)測試方法和測試結果,以供客戶參考。
示波器,萬用表,雷擊浪涌發生器,測試電路板,壓敏電阻,氣體放電管。

如示意圖,其中(zhong)測試時(shi)三顆壓(ya)(ya)敏(min)使用(yong)(yong)(yong)的是(shi)(shi)YINT的14D471K,如果(guo)客(ke)(ke)戶端的電(dian)(dian)(dian)網環境較為(wei)惡劣,可(ke)(ke)適當調大(da)(da)壓(ya)(ya)敏(min)電(dian)(dian)(dian)阻(zu),壓(ya)(ya)敏(min)電(dian)(dian)(dian)壓(ya)(ya)大(da)(da)則更安(an)全(quan),耐用(yong)(yong)(yong),故(gu)障(zhang)率(lv)低,但是(shi)(shi)殘(can)壓(ya)(ya)會高(gao),浪涌對(dui)設備(bei)的沖擊會大(da)(da)。氣體放(fang)電(dian)(dian)(dian)管(guan)用(yong)(yong)(yong)的為(wei)2R600L。氣體放(fang)電(dian)(dian)(dian)管(guan)和壓(ya)(ya)敏(min)電(dian)(dian)(dian)阻(zu)串聯使用(yong)(yong)(yong),可(ke)(ke)大(da)(da)幅度的減小正常工(gong)作時(shi)的泄露電(dian)(dian)(dian)流(liu),可(ke)(ke)延長器件使用(yong)(yong)(yong)壽(shou)命,由于(yu)陶瓷氣體放(fang)電(dian)(dian)(dian)管(guan)失效(xiao)模式大(da)(da)多為(wei)開路,不(bu)易引(yin)起火(huo)災。缺點是(shi)(shi)當壓(ya)(ya)敏(min)電(dian)(dian)(dian)阻(zu)和氣放(fang)管(guan)都失效(xiao)時(shi),還可(ke)(ke)能(neng)引(yin)起火(huo)災,故(gu)可(ke)(ke)通過(guo)串接保險(xian)絲來做防(fang)護。紅色(se)虛線部分大(da)(da)部分客(ke)(ke)戶可(ke)(ke)去掉,只有(you)在做精細保護時(shi)才需要(yao)這(zhe)部分,這(zhe)部分可(ke)(ke)使用(yong)(yong)(yong)TVS,但是(shi)(shi)由于(yu)TVS通流(liu)量較小,容易被擊穿(chuan)。也可(ke)(ke)使用(yong)(yong)(yong)殘(can)壓(ya)(ya)小的壓(ya)(ya)敏(min)電(dian)(dian)(dian)阻(zu)替代,中(zhong)間的電(dian)(dian)(dian)感做耦合, 具體如何(he)使用(yong)(yong)(yong)可(ke)(ke)聯系音特電(dian)(dian)(dian)子。
4.根據GB/T17626.5 IEC61000-4-5的要求,對于連接(jie)到電源線和短距離信(xin)號互連線的端口,應使用1.2/50µs組合波發生器(qi)(qi)。發生器(qi)(qi)電路原理圖如(ru)下:

對雷擊浪涌發生器的(de)開路(lu)電壓和(he)短(duan)路(lu)電流(liu)波形進行檢(jian)查,結(jie)果如下:
開路(lu)電壓波形 1.2/50µs 短路(lu)電流波形 8/20µs
波前時(shi)間:1.2Χ(1±30%)µs 波前時(shi)間:8Χ(1±20%)µs
半(ban)峰時間:50Χ(1±20%)µs 半(ban)峰時間:20Χ(1±20%)µs


5. 測試根據保(bao)護電路,對其進行±6KV/3KA的浪(lang)涌測試,如下所(suo)示:


供電波(bo)形如下所示,220V 50Hz:

A. L N線之間(jian)接壓敏(min)電(dian)阻14D471K和氣體放電(dian)管(guan)2R600L,測量(liang)輸(shu)出波形,如下(xia)所示(shi):
+6KV:

-6KV:

從圖中可看(kan)到經過(guo)壓保護器件的(de)動作,6KV的(de)浪涌電壓被抑制到1KV左(zuo)右,對EUT的(de)損壞(huai)大(da)(da)大(da)(da)降低。
B.LN兩線(xian)之間只(zhi)接壓敏電阻14D471K做(zuo)保護,輸出波(bo)形如下:


簡單(dan)的(de)使用(yong)壓(ya)敏(min)也可進行保護,但是(shi)由于壓(ya)敏(min)電(dian)阻的(de)寄(ji)生電(dian)容較大,用(yong)在交(jiao)流系統中會產(chan)生客觀的(de)泄露 電(dian)流,對系統造成影響(xiang)。且一般壓(ya)敏(min)電(dian)阻失效(xiao)后會短路(lu),故最(zui)好串接溫度保險絲防護。
以上供參考
交流防雷(lei)保(bao)護(hu)方案(an)有(you)很多(duo)種,音特電子(zi)是(shi)電子(zi)電路保(bao)護(hu)器件的(de)專業廠商,為客戶(hu)提供最適合的(de)電子(zi)線路 保(bao)護(hu)方案(an),如有(you)需(xu)要請聯系我們(men)。
關(guan)注(zhu)公眾(zhong)號(hao):音特(te)電子,了解更多電路保護相關(guan)知識(shi)。
關鍵詞:壓(ya)敏電(dian)阻、氣(qi)體放電(dian)管。
音特研發組:yxgc.net
在整流電路中常用到整流橋,整流橋常用四個 M7 組成全橋整流,M7 的耐壓一般為 1000V,而在電源電路中常受到浪涌和其他高壓的侵襲,導致 M7 反向擊穿,我司推出高耐壓的整流二極管 HD520 和(he) HD528,特作此對比(bi)測試。
二極(ji)管測試儀(yi),數字電橋,1.2/50 8/20綜合波發生器(qi)等。
3.1.首先測試M7,HD520,HD528的電(dian)氣參數


(M7的VF VBR IR )

  (HD520的VF VBR IR)

  (HD528的(de)VF VBR IR)

    (M7寄生(sheng)電(dian)容)

(HD520寄生電(dian)容)

(HD528寄生電容)
3.2. 浪(lang)涌測(ce)試,將M7,HD520,HD528組成整流(liu)橋,輸出(chu)開路(只測(ce)試過壓損壞(huai)的(de)情況,不考慮過流(liu)損壞(huai)的(de)情況)
如下所示:

(M7) (HD520)

(HD528)
測試平臺如下所示:


  (發生(sheng)器界(jie)面) (被測樣品)

關注公眾號:音特電子,輕(qing)松(song)了解。
音特研發組(zu):yxgc.net
關鍵詞:整流二極管、浪涌電(dian)壓。

MOV 電路符號
壓(ya)敏電(dian)(dian)(dian)(dian)(dian)(dian)阻英(ying)文 varistor 或(huo) MOV,它以氧化鋅為基(ji)料(liao),加(jia)入多(duo)種添加(jia)劑,經過(guo)混(hun)料(liao)造粒, 壓(ya)制(zhi)成(cheng)坯體,高(gao)(gao)溫燒(shao)結,兩(liang)面印燒(shao)銀電(dian)(dian)(dian)(dian)(dian)(dian)極,焊接(jie)引出端,最后包封等工序而制(zhi)成(cheng)。 優(you)點(dian)是(shi)價格(ge)便宜(yi),通流(liu)量大(da),響應速(su)度(du)快,缺(que)點(dian)是(shi)寄(ji)生電(dian)(dian)(dian)(dian)(dian)(dian)容(rong)大(da),不(bu)適合(he)用(yong)(yong)(yong)在(zai)高(gao)(gao)頻電(dian)(dian)(dian)(dian)(dian)(dian)路(lu)中。 壓(ya)敏電(dian)(dian)(dian)(dian)(dian)(dian)阻器(qi)廣泛應用(yong)(yong)(yong)于(yu)家(jia)用(yong)(yong)(yong)電(dian)(dian)(dian)(dian)(dian)(dian)器(qi)及(ji)其(qi)(qi)它電(dian)(dian)(dian)(dian)(dian)(dian)子產品中,起過(guo)電(dian)(dian)(dian)(dian)(dian)(dian)壓(ya)保護、防雷、抑(yi)制(zhi)浪涌電(dian)(dian)(dian)(dian)(dian)(dian) 流(liu)、吸收尖峰脈沖、限幅、高(gao)(gao)壓(ya)滅弧(hu)、消噪、保護半(ban)導(dao)體元器(qi)件等作(zuo)(zuo)用(yong)(yong)(yong)。 壓(ya)敏電(dian)(dian)(dian)(dian)(dian)(dian)壓(ya)的選(xuan)擇:交流(liu)電(dian)(dian)(dian)(dian)(dian)(dian)路(lu)其(qi)(qi)最小(xiao)值(zhi)一般(ban)選(xuan)擇被保護設(she)備電(dian)(dian)(dian)(dian)(dian)(dian)壓(ya)2-3倍(bei),直流(liu)電(dian)(dian)(dian)(dian)(dian)(dian)路(lu)選(xuan)取為 工作(zuo)(zuo)電(dian)(dian)(dian)(dian)(dian)(dian)壓(ya)的1.8-2倍(bei)。 由(you)于(yu)壓(ya)敏制(zhi)作(zuo)(zuo)時可能存在(zai)微(wei)(wei)小(xiao)缺(que)陷,或(huo)者當承受不(bu)同電(dian)(dian)(dian)(dian)(dian)(dian)流(liu)沖擊,造成(cheng)管(guan)芯的壓(ya)敏電(dian)(dian)(dian)(dian)(dian)(dian)阻體 分布不(bu)均,一些部位電(dian)(dian)(dian)(dian)(dian)(dian)阻會降低,導(dao)致漏電(dian)(dian)(dian)(dian)(dian)(dian)流(liu)增加(jia),最終(zhong)導(dao)致薄弱(ruo)點(dian)微(wei)(wei)融化,最終(zhong)導(dao)致 老化。所以一般(ban)串接(jie)熱熔(rong)點(dian)來(lai)避免。
壓敏可串并聯使用

關(guan)注(zhu)公眾號(hao):音特電子
關鍵詞:壓(ya)敏電阻(zu)、過壓(ya)保護。

TVS 電(dian)路符號
TVS 是(shi)一種限(xian)壓(ya)型的過壓(ya)保護(hu)器,它將過高的電壓(ya)鉗制至一個安全范圍,藉以保護(hu)后面的電路,有著比其它保護(hu)元件更快(kuai)的反應時間,這使 TVS 可(ke)用在(zai)防護(hu) lighting、 switching、ESD 等快(kuai)速破壞(huai)性瞬態(tai)電壓(ya)。
特點:可分為單雙(shuang)向,響應(ying)時間快(kuai)、漏電(dian)(dian)流低、擊(ji)穿電(dian)(dian)壓誤差小、箝位(wei)電(dian)(dian)壓較易控制、 并且(qie)(qie)經過多次瞬(shun)變(bian)電(dian)(dian)壓后,性(xing)能不下(xia)降,可靠(kao)性(xing)高,體積小、易于(yu)(yu)安裝。缺點是能承受 的(de)浪涌電(dian)(dian)流較小,且(qie)(qie)功(gong)率大的(de)寄生電(dian)(dian)容也大,低電(dian)(dian)容的(de)功(gong)率較小。適用于(yu)(yu)細保(bao)護(hu)或(huo)者二 級保(bao)護(hu)。
注:選型注意,單雙向,電壓,功率,電容都要考(kao)慮到。

單向(xiang) TVS 伏安(an)(an)特性(xing) 雙(shuang)向(xiang) TVS 伏安(an)(an)特性(xing)
關注公眾號:音特電子,了解更多電路知識。
關鍵詞:TVS瞬態(tai)抑制二極管、過壓防護。

(GDT 電路符號)
氣(qi)體放(fang)(fang)電(dian)(dian)管是一(yi)種(zhong)陶瓷或玻璃封裝的(de)(de)、內充(chong)低壓惰(duo)性氣(qi)體的(de)(de)短(duan)路型保護(hu)器(qi)件,一(yi)般分兩(liang) 電(dian)(dian)極和(he)三(san)電(dian)(dian)極兩(liang)種(zhong)結構。其(qi)基本的(de)(de)工作(zuo)原理是氣(qi)體放(fang)(fang)電(dian)(dian)。當極間(jian)的(de)(de)電(dian)(dian)場強度(du)(du)超過氣(qi)體的(de)(de) 擊穿強度(du)(du)時,就引(yin)起(qi)間(jian)隙放(fang)(fang)電(dian)(dian),從而限(xian)制了極間(jian)的(de)(de)電(dian)(dian)壓,使與氣(qi)體放(fang)(fang)電(dian)(dian)管并聯的(de)(de)其(qi)它器(qi)件得到保護(hu)。氣(qi)體放(fang)(fang)電(dian)(dian)管可分為二極和(he)三(san)極兩(liang)種(zhong)。
1.具有通流(liu)量大(KA 級)。
2.漏電流小。
3.寄生電容小等。
1.其響應 速度慢(μs 級)。
2.動(dong)作電壓(ya)精度(du)低(di)有續(xu)流現象。
總結:適用于粗(cu)保護或者初(chu)級保護。
min(UDC)≥1.25*1.15Up,1.25 是安全余(yu)量(liang),1.15 是電(dian)源波動系數。

特性曲線
關鍵詞:陶瓷氣體放電管、gdt氣體放電管、過壓防護。
關(guan)注公眾號:音(yin)特電子。

(TSS 電路(lu)符號)
半導(dao)體(ti)過壓保護器是根據可控硅原理(li)采用離子注入(ru)技術生產的一種(zhong)新型保護器件,具(ju)有 精確(que)導(dao)通、快速響應(ns 級)、浪涌吸收能(neng)力較(jiao)強、雙向(xiang)對稱、可靠性高等(deng)特點。
TSS半導體(ti)放電(dian)管浪(lang)涌通流能(neng)力較同(tong)尺寸的 TVS二(er)極(ji)管強,但開關型保護器件都有續流問題。
TSS半導體放電管有貼裝式、 直插式和(he)軸向引線式三種封裝形(xing)式。在通訊行(xing)業使用的比較多。
       
TSS伏安特性曲線
注意:開關型過(guo)壓防(fang)護器件,由于都(dou)有續流特性,故在電(dian)源電(dian)路單獨使用(yong)需謹慎(shen)。
關注公眾號:音特電子,更方便了解(jie)。
關鍵(jian)詞;tss半(ban)導體放電管、過壓防(fang)護。

PTC電路符號
PPTC自(zi)恢(hui)復(fu)(fu)保(bao)險絲(si)(si)(si)采用高分子有機聚(ju)合物在高壓、高溫,硫化(hua)反應(ying)的條件(jian)下,攙(chan)加導電粒子材料后(hou),經 過(guo)特(te)殊的工藝加工而成(cheng)。傳(chuan)統保(bao)險絲(si)(si)(si)過(guo)流保(bao)護,僅能保(bao)護一次,燒斷了需更換,而自(zi)恢(hui)復(fu)(fu)保(bao) 險絲(si)(si)(si)具(ju)有過(guo)流過(guo)熱保(bao)護,自(zi)動恢(hui)復(fu)(fu)雙重(zhong)功能。
PPTC自恢復(fu)保(bao)險絲插件類的耐壓值(zhi)有 6V,16V,30V,60V,72V,250V,600V,電流從 75mA 到 14A。 貼(tie)片系列的有 0603,0805,1206,1210,2018,2920 封裝(zhuang)。

特性曲線
關注公眾號:音特電子,輕松(song)了解。
關鍵詞:自恢復保險絲、PPTC、過流保護(hu)。
目的:
電(dian)(dian)(dian)涌(yong)顧名思義就是(shi)超出正常(chang)工(gong)作電(dian)(dian)(dian)壓(ya)(ya)(ya)的(de)(de)瞬(shun)間過(guo)電(dian)(dian)(dian)壓(ya)(ya)(ya),其來源分為外部(bu)來源(雷電(dian)(dian)(dian)和電(dian)(dian)(dian)網中(zhong)(zhong)開關操(cao)作等在(zai)電(dian)(dian)(dian)力線(xian)路上(shang)產(chan)(chan)生的(de)(de)過(guo)電(dian)(dian)(dian)壓(ya)(ya)(ya))和內部(bu)來源(空調、電(dian)(dian)(dian)梯(ti)、電(dian)(dian)(dian)焊機、空氣(qi)壓(ya)(ya)(ya)縮(suo)機和其它感(gan)應性(xing)負荷),根據(ju)(ju)統計(ji),在(zai)美國:由于電(dian)(dian)(dian)涌(yong)給各行業造成的(de)(de)停(ting)產(chan)(chan)、時(shi)間的(de)(de)損失、設(she)備維修(xiu)、過(guo)早地更換(huan)設(she)備等直接損失每(mei)年高達260億美金,在(zai)中(zhong)(zhong)國,據(ju)(ju)有關統計(ji),在(zai)保修(xiu)期內出現問題的(de)(de)電(dian)(dian)(dian)氣(qi)產(chan)(chan)品中(zhong)(zhong),有63%是(shi)由于電(dian)(dian)(dian)涌(yong)產(chan)(chan)生的(de)(de)。我司依據(ju)(ju)GB/T17626.5 IEC61000-4-5對浪涌(yong)(沖(chong)擊(ji))抗擾(rao)度試驗,提供220V電(dian)(dian)(dian)源10KA浪涌(yong)防護方(fang)案(an),以(yi)供大(da)家參考。

開路電壓波形1.2/50μs    T1=1.2μs T2=50μs

短(duan)路(lu)電流波形8/20μs T1=8μs T2=20μs

| 
 溫度保險絲  | 
 壓敏電阻  | 
 氣體放電管  | 
| 
 暫無  | 
 25D561K  | 
 2R600L-8×6  | 
如果在測試過程中,浪涌的殘壓過高,導致被測設備損壞,則可以在共模線圈后面增加一級防護(紅色虛線內),器件的選擇可以和前一級一樣,也可以選擇通流量稍小的壓敏電阻和氣體放電管以節省成本。
有問題,可聯系音特電(dian)子(zi)。
關注公眾(zhong)號:音特電子,輕(qing)松了(le)解。